| Sign In | Join Free | My esadidasol.com |
|
Brand Name : GIGAOPTO
Model Number : GTS-SEU11-20DC
Certification : CE, FCC, ROHS, REACH, CP65, TUV, UL, ISO9001, ISO14000, MSDS
Place of Origin : Shenzhen, China
MOQ : 1 pcs
Price : Negotiable
Payment Terms : T/T, Western Union
Supply Ability : 50,000pcs / month
Delivery Time : 1-5 working days
Packaging Details : Single Package, 10 or 20pcs per Tray, 30 or 50 or 100pcs per box, 400 or 600pcs per carton
Product Name : EPON ONU SFP
Form Factor : SFP
Data Rate : Tx1.25G/Rx1.25G
Centre Wavelength : TX1310nm/RX1490nm
Connector Type : SC/UPC
LD Type : DFB
ODN Class : PX20
Max Transmission Distance : 20km
Keywords : SFP 1.25G EPON ONU, PX20 Transceiver, EPON SFP ONU SC/UPC
GEPON ONU SFP 1.25G SC/UPC PX20 Burst TX1310nm/RX1490nm 20km Transceiver Module
Description
The GIGAOPTO's GTS-SEU11-20DC single mode transceiver is small form factor pluggable module designed for Gigabit Ethernet Passive Optical Network (EPON) 20km transmission. It is Optical Network Unit (ONU) for IEEE Std 802.3ahTM -2004 1000BASE-PX20 application.
The module incorporates 1310nm burst-mode transmitter and 1490nm continuous-mode receiver. The transmitter section uses a 1310nm DFB laser, and the receiver section uses an integrated 1490nm InGaAs Pin photodiode and preamplifier mounted together. It has the function that indicates receiver signal-detected status.
Specification
| Product Packaging | EPON SFP ONU | Speed | 1250Mbps/1250Mbps |
| Types of Interface | SC/UPC | Link Length | 20km |
| Digital Diagnostic Monitoring | YES | Fiber Mode | SMF
|
| Warranty | 3 years | Environment | Commercial -5 to 70°C |
| Center Wavelength | TX1310nm/RX1490nm | Power Supply Voltage | 3.3V |
| Power Consumption | <1W | Icc | 300mA |
| Optical Components | DFB | PD Type | PIN |
| Transmitter Output Power | 0 to 4dBm | Sensitivity | <-27dBm |
| Extinction Ratio | >9dB | Saturation | >-3dBm |
| Protocols | IEEE 802.3ah-2004, Telcordia GR-468-CORE | ||
Features
Application
Standards
Ordering Information
| Part Number | Description | Data Rate (Gb/s) | Wavelength(nm) | Class | Interface | Temp. |
| GTF-SEU11-20DC | EPON ONU SFF 2x10 | T1.25/R1.25 | Tx1310/Rx1490 | PX20 | SC/UPC Receptacle | -5~70°C |
| GTF-SEU11-20DI | EPON ONU SFF 2x10 | T1.25/R1.25 | Tx1310/Rx1490 | PX20 | SC/UPC Receptacle | -40~85°C |
| GTF-UEU11-20DC | EPON ONU SFF 2x10 | T1.25/R1.25 | Tx1310/Rx1490 | PX20 | SC/UPC Pigtail | -5~70°C; |
| GTF-UEU11-20DI | EPON ONU SFF 2x10 | T1.25/R1.25 | Tx1310/Rx1490 | PX20 | SC/UPC Pigtail | -40~85°C |
| GTF-AEU11-20DC | EPON ONU SFF 2x10 | T1.25/R1.25 | Tx1310/Rx1490 | PX20 | SC/APC Pigtail | -5~70°C; |
| GTF-AEU11-20DI | EPON ONU SFF 2x10 | T1.25/R1.25 | Tx1310/Rx1490 | PX20 | SC/APC Pigtail | -40~85°C |
| GTS-SEU11-20DC | EPON ONU SFP | T1.25/R1.25 | Tx1310/Rx1490 | PX20 | SC/UPC Receptacle | -5~70°C |
| GTS-SEU11-20DI | EPON ONU SFP | T1.25/R1.25 | Tx1310/Rx1490 | PX20 | SC/UPC Receptacle | -40~85°C |
| GTS-BEU11-20DC | EPON ONU SFP | T1.25/R1.25 | Tx1310/Rx1490 | PX20 | LC/APC Receptacle | -5~70°C |
| GTS-BEU11-20DI | EPON ONU SFP | T1.25/R1.25 | Tx1310/Rx1490 | PX20 | LC/APC Receptacle | -40~85°C |
Compatibility
Gigaopto manufactures and stocks a full range of optical transceivers up to 100G. All of our optical transceiver modules are quality-tested for compatibility with the target switch environment and are 100% compatible with major brands such as Cisco, Brocade, HP, Juniper, Huawei, Alcatel-Lucent, Extreme, Arista, etc. and offer 3-year warranty.
For this (EPON ONU SFP SC/UPC PX20 TX1310nm/RX1490nm), please refer to the P/N correspondence table. If you need more compatibility, please don’t hesitate to let us know.
| Compatible Brand | Compatible Part Number | Compatible Brand | Compatible Part Number |
| GIGAOPTO | GTS-SEU11-20DC | WTD | RTXM169-531 |
Pin Definition

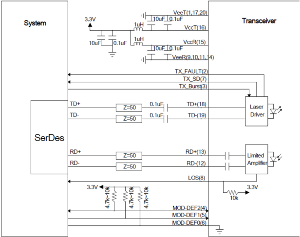
Typical Application Circuit

Package Outline
Dimensions are in millimeters. All dimensions are ±0.1mm unless otherwise specified. (Unit: mm)

|
|
1.25G ONU EPON SFP Module PX20 TX1310nm/RX1490nm 20km SC SFP UPC Images |